Кронштейн WWT900 (711090)

Виробник: BAKS
Артикул: WWT900
Ціна за дзвінком

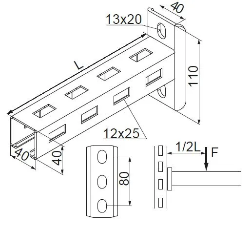
Монтаж кабельних лотків, кабельних драбин, труб та інших елементів до сталевих конструкцій на основі швелерів шириною ~40 мм, особливо за обмеженого простору для кабельних трас (наприклад, над підвісними стелями).

Матеріал

F - гарячеоцинкована сталь PN-EN ISO 1461:2023-02

Доступні варіанти оздоблення:

E - нержавіюча сталь

L - фарбування у стандартний колір RAL

Додаткова інформація

– на замовлення можливе виготовлення настінних кронштейнів нестандартної довжини

– рекомендоване кріплення до відкритої стінки каналу шириною ~40 мм за допомогою болтів SRM10x25, що дозволяє плавне регулювання положення

Характеристики товару

Назва атрибуту Значення атрибуту
Системи кабельних трас
Типи елементів кронштейн
Товщина листа 0.0 мм
Властивості матеріалу F - гарячеоцинкована сталь, E - нержавіюча сталь, L - фарбування в стандартний колір RAL
Вага 1шт [кг] 2.20
Кількість [шт] 8
Довжина L [мм] 915 mm
Відстань до основи кронштейна 35
F макс. [кН] 1