Редуктор лівий RDLC400/300H50N (458140)

Виробник: BAKS
Артикул: RDLC400/300H50N
Ціна за дзвінком

Зменшення/розширення ширини кабельних трас

Матеріал

Сталь, оцинкована стрічка згідно з Сендзіміром
метод згідно з PN-EN 10346:2015-09 (SG)
Доступні варіанти оздоблення:
F - сталь, гарячеоцинкована.
відповідно до PN-EN ISO 1461:2011 (HDG)
E - нержавіюча сталь (SS), клас 1.4301 (AISI304)
L - порошкове покриття в повній палітрі кольорів (ПК)

Додаткова інформація

Для складання використовуйте 4 прямих з'єднувача LDCH...
та 16 комплектів гвинтів SGKM8x14 або SGM8x14
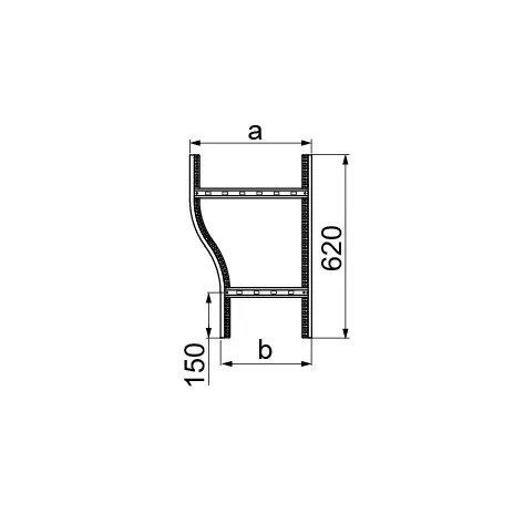
У разі спеціальних замовлень вкажіть розміри a та b.

Характеристики товару

Назва атрибуту Значення атрибуту
Системи кабельних трас
Типи елементів редуктор
Висота борта H50
Ширина кабельної траси 400, 300
Товщина листа 2.0 мм
Вага 1шт [кг] 2.41
Кількість [шт] 2
Ширина a [мм] 400
Ширина b [мм] 300