Редуктор симетричний RSDSC600/500H160 (459616)

Виробник: BAKS
Артикул: RSDSC600/500H160
Ціна за дзвінком

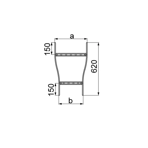
Зміна ширини кабельної траси.

Матеріал

S - Сталь, оцинкована методом Сендзіміра PN-EN 10346:2015-09

Доступні варіанти оздоблення:

F - гарячеоцинкована сталь PN-EN ISO 1461:2023-02

E - нержавіюча сталь

L - фарбування у стандартний колір RAL

Додаткова інформація

– для нестандартних замовлень вказуйте розміри a та b

– для підключення фітинга до драбини необхідно використовувати з'єднувачі фітингів LSSU... та болти SGKM8x16

– для великих замовлень можливе виготовлення арматури з листового металу товщиною 1,5 мм

Характеристики товару

Назва атрибуту Значення атрибуту
Системи кабельних трас
Типи елементів редуктор
Висота борта H160
Товщина листа 2.0 мм
Властивості матеріалу S - оцинкована сталь за методом Сендзіміра, F - гарячеоцинкована сталь, E - нержавіюча сталь, L - фарбування в стандартний колір RAL
Вага 1шт [кг] 4.95
Кількість [шт] 1
Розмір a [мм] 600
Розмір b [мм] 500